Exterior pivot doors

Your grand entrance

Front pivot doors are a perfect way to make a grand entry for any residential or commercial building. This entrance can be a true statement and sets the tone for the rest of the interior. With FritsJurgens pivot hinges, you can design your entrance door with any type of material; wood, steel, glass, stone or composite, and at almost any scale up to 500 kg.

This guide covers everything you need to specify, build and detail an exterior pivot door that performs as well as it looks.

Do you already have everything you need? Get in touch by requesting your pivot door through one of our trusted partners.

Request a complete door

Glass and steel balcony door with System One by FritsJurgens

Pivoting front doors with unlimited design

With FritsJurgens pivot hinge systems the design possibilities for your exterior pivot door design are as good as limitless. Your door can be made out of any type of material – from wood to marble – and the height of the door is unlimited. The System One pivot hinge can carry exterior pivot doors up to 500 kg, and System M and System M+ make the door self-closing, along with other features.

There are no structural adjustments needed to the sill – the pivot hinge system is mounted inside the pivot door and it rests only on a small floor plate. Create a new dimension between in- and outdoors with a pivot door as your grand entrance.

Choosing the right system for your exterior pivot door

Not every pivot system suits every exterior door application. The right choice depends on the functions required: self-closing, hold positions, latch engagement or free swing.

Function required and recommended system
Manual open and close, free swing System One
Hold positions at 90° System M+ / System Fx
Self-closing with soft-close System M+
Adjustable latch engagement System M+

What to know about each system in exterior conditions

FritsJurgens System M+

System M+ provides self-closing movement, adjustable Damper Control, 30° Speed Control and Latch Control. It is the preferred choice when a controlled, self-closing entrance is required. For exterior applications, bear in mind that the performance of the opening damping and latch function can be influenced by external conditions such as wind pressure, temperature, and the resistance of seals and locks. Set these expectations clearly at specification stage.

FritsJurgens System One

System One operates as a free-swing pivot. It is designed to overcome all external resistance, making it well suited to exterior doors where seal or lock resistance must not interfere with the pivot movement. System One supports doors from 0 to 500 kg and allows for manually controlled open and closing movement of the door.

FritsJurgens System Fx

System Fx provides four strong hold positions (0°, 90°, 180°, 270°) and a latch function in the last 10° of closing. It is suited to high-traffic entrances where the door needs to stay open. Note: on exterior doors, the 90° hold position can be exceeded by wind pressure if the door opens outward. See the section below on opening direction.

Note: on exterior doors, the 90° hold position can be exceeded by wind pressure if the door opens outward. See the section below on opening direction.

Not sure which hardware you need?

By using our product selector you can easily find out the most suitable product combination for your exterior pivot door.

Use product selector

Weatherproofing your exterior pivot door

A pivot door can be made weatherproof with the right sealing and rebate configuration. It does require careful coordination between the pivot system, the door leaf and the sill detail.

Get in touch

Automatic dropseal

An automatic dropseal descends into position as the door closes, sealing the gap between the door bottom and the floor. For exterior pivot doors, the dropseal must be compatible with the pivot position and the flush floor plate detail.

A proven combination for exterior use is the Athmer Schall Ex L15/30 WS Pivot dropseal, used in a single-rebate configuration with System One. Always verify the dropseal manufacturer’s tolerance requirements against the gap dimensions of your specific door.

Rebate configurations

  • Single rebate: Simpler detail, suited to sheltered entrance applications
  • Double rebate: Higher weatherproofing performance, recommended for exposed facades

The rebate detail must account for the turning seam. This is the gap that opens as the door rotates, and it needs to be detailed correctly. FritsJurgens works with specialist partners experienced in detailing for pivot movement.

Opening direction: what the global debate means for your pivot door specification

Whether a front door should open inward or outward is one of the most debated topics in door specification. The answer genuinely depends on where you are in the world, what type of building you are designing, and which regulatory framework applies.

The global picture

In the United States and Canada, residential front doors almost universally open inward. The convention is rooted in security. Inward-opening doors keep hinges on the interior, out of reach. Climate plays a role too. In cold-weather regions from Colorado to Ottawa, an outward-swinging door can be blocked by heavy snow accumulation, trapping occupants inside.

In Scandinavia, the opposite norm applies. Swedish, Norwegian and Danish homes have opened outward for centuries. The tradition was shaped by fire safety logic, interior space constraints in historically small dwellings, and climate. Outward-opening doors prevent rain and snow from blowing in as the door opens. The Scandinavian argument that an inward door is a fire hazard has historical weight too. A panicking crowd will push, not pull.

In the UK and much of continental Europe, inward-opening residential doors remain the norm, but fire exit routes and escape doors are required by Approved Document B to open outward in the direction of travel.

In Japan, South Korea and much of East Asia, outward-opening front doors are the strong cultural and practical norm. The driver is the genkan, the recessed entry threshold where shoes are removed and stored before stepping into the home. An inward-opening door would sweep across the shoe area, making entry impractical. The genkan is also considered a transitional zone between outside and inside, not part of the home proper. An outward-opening door reinforces that boundary. This cultural logic extends to China and parts of Southeast Asia, where similar entry customs and space constraints have produced the same preference.

In Australia and New Zealand, residential front doors predominantly open inward. It is a convention inherited from the British building tradition and reinforced by Australian Standard AS 2047, which governs external glazed doors and window performance. Neither the Australian National Construction Code (NCC) nor the New Zealand Building Code mandates inward swing for residential entry doors. But the practice is so deeply embedded in construction norms that outward-opening front doors remain uncommon in both markets. Commercial and high-occupancy buildings are the exception. The NCC requires egress doors serving large occupant loads to open in the direction of travel, aligning with the global commercial standard.

In the Middle East and South Asia, no single convention dominates. These are key markets for premium architectural hardware. Building codes in the Gulf Cooperation Council (GCC) states draw heavily on the International Building Code (IBC) framework, which does not prescribe residential swing direction but mandates outward egress in high-occupancy commercial settings. In practice, residential entry doors in the UAE, Saudi Arabia and Qatar open inward in the majority of cases, particularly in villa and apartment developments following international developer standards. In India, no national building code prescribes residential swing direction. Practice varies by building type, region and the influence of the architect or developer.

Residential vs. commercial: a different set of rules

The residential preference for inward opening is not a universal law. In commercial buildings, the rules are almost the reverse. Under the International Building Code (IBC) and NFPA 101, any door serving an occupant load of 50 or more people must swing in the direction of egress, outward. High-hazard occupancies, exit enclosures, assembly spaces such as theatres and auditoriums, and any door requiring panic hardware must all open outward. The reasoning is simple and backed by tragedy. When a crowd rushes an exit under panic, an inward-swinging door becomes a fatal obstruction.

For architects specifying exterior pivot doors on commercial or public buildings, this is a critical consideration. If your entrance serves more than 50 people, outward egress swing may be a code requirement. That directly conflicts with the pivot system requirement described below. In these cases, the solution is typically a separate, code-compliant emergency egress door alongside the pivot entrance, rather than compromising either the pivot system or the life safety requirement.

Exterior pivot door examples

A copper cladded exterior pivot door with System M by FritsJurgens
Copper cladded pivot door
Private house – Australia – Coppice Joinery – System M
Contemporary opened exterior pivot door with System One by FritsJurgens
Contemporary exterior pivot door - opened
Private house - Onnen, The Netherlands - System ONE
Contemporary closed exterior pivot door with System One by FritsJurgens
Contemporary exterior pivot door - closed
Private house - Onnen, The Netherlands - System ONE
Commercial closed exterior pivot door with System One by FritsJurgens
Commercial exterior pivot door - closed
Office Builing - Harryvan kozijnen - System One
Commercial open exterior pivot door with System One by FritsJurgens
Commercial exterior pivot door - opened
Office Builing - Harryvan kozijnen - System One
Exterior pivot door with black painted wood with System One by FritsJurgens
Exterior pivot door with black painted wood
Private house - Amsterdam, the Netherlands - Strakk Interieurbouw - System ONE
Steel exterior pivot door with System M by FritsJurgens
Steel exterior pivot door
Private house - Colquitt, Texas, United States - VivianoViviano - System M
Glass and steel balcony door with System One by FritsJurgens
Glass and steel balcony door
Private house – Switzerland – Air-lux – System One
Wooden entrance pivot door with System M by FritsJurgens
Wooden entrance pivot door
Private house – USA – Exclusive Wood Doors – System M
Wood and glass garden door with System One by FritsJurgens
Wood and glass garden door
Private house – Germany – Matthias Stelmach – System One
CastleWood Doors exterior pivot door with System One by FritsJurgens
Large black entrance door
Private house – USA – CastleWood Doors – System One
Glass garden pivot door with System One by FritsJurgens
Glass garden pivot door
Private house – The Netherlands – Studio MAKS – System One
Drag over the photos for more

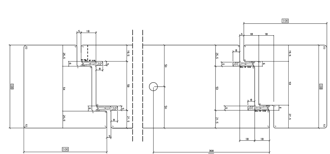
Floor plate selection for exterior pivot doors

For exterior use, always specify a Flush floor plate. Standard floor plates sit proud of the floor surface and will collide with an automatic dropseal as the door closes, damaging both the seal and the plate over time.

Flush floor plates recess fully into the floor, clearing the dropseal path completely. Two variants are available:

  • Floor plate Flush Squared (FS): For aluminium sills. The squared profile aligns with the geometry of metal threshold systems.
  • Floor plate Flush Rounded (FR): For wooden or stone sills. The softened profile suits natural material thresholds.

Both variants are available in Stainless Steel (SS) or PVD Black (BK), machined from hardened 420 stainless steel. The floor plate is recessed only 8 mm — no structural modification to the sill is required.

When the door is mounted on soft surfaces like wood or mortar you can use the 30 mm pins instead of the 8 mm pins for proper fastening.

Floor plate Flush Rounded - for wooden or stone sills
Floor plate Flush Square - for aluminum sills

Entry pivot door hardware

Modern entrance doors often integrate smart locks, electronic access control or architectural lighting. FritsJurgens pivot hinge systems support full electrification through top pivots with an integrated cable grommet, allowing wiring to pass invisibly through the door.

The following top pivot models support cable grommet electrification:

Top pivot 70 mm Class G
Top pivot reversed
Top pivot 40 mm Class G

All three are compatible with motorised multipoint lock systems and electronic access control.
For door movement, System M+ provides Damper Control and 30° Speed Control. This gives precise control over the speed and feel of even the largest entrance doors. Latch Control adds a final burst of force in the last 10° of closing, ensuring the door latches consistently every time.

Burglar resistance and security

European standards for forced-entry resistance are defined by EN 1627, which classifies door assemblies from RC1 (lowest) to RC6 (highest) based on their ability to withstand manual attack.
An important clarification: FritsJurgens pivot systems do not hold an EN 1627 certificate.

The RC classification applies to the complete door assembly. Leaf, frame, locks and hinges, all together. Responsibility for RC compliance rests with the door manufacturer and the system integrator, not the pivot hinge alone.

FritsJurgens pivots can be incorporated into RC-classified door assemblies with the right precautions:

Prevent the door from being lifted

The primary vulnerability in a pivot door is the ability to lift the leaf off the floor plate. Three-point locks on both sides of the door are the most effective countermeasure. They prevent the door from being lifted even under significant force.

Secure the top pivot

A metal spacer ring around the mounting pin of the top pivot eliminates the clearance gap between door and ceiling plate, preventing the door from being levered upward. The required thickness depends on the distance used in the specific installation.

For high-security applications it's best to integrate a tested multipoint locking system. Proven solutions used in combination with FritsJurgens pivots include the Carl Fuhr Autosafe 835 and the Maco Instinct. The Maco Instinct also offers integrated tamper detection and smart home connectivity.

FritsJurgens is not responsible for the composition of the door assembly or its RC classification.

Weight, width and selecting the right weight class

Selecting the correct weight class is critical for long-term performance. Door weight alone is not enough information.

The determining factor is lateral force: the rotational load applied to the pivot system as the door swings. A wider door of the same weight produces a higher lateral force, because the load acts over a greater lever arm.

F lateral = door weight × (door width / 2) / pivot distance

A 150 kg door at 1,200 mm wide creates a meaningfully higher lateral force than a 150 kg door at 900 mm wide. Specifying on weight alone risks under-rating the system, and that is a mistake worth avoiding.

Always calculate the lateral force before confirming a weight class. Use the FritsJurgens lateral force calculator for an accurate result, or configure the full system in the selector.

Exterior pivot door specification checklist

Before finalising your exterior pivot door specification, confirm the following:

  • Opening direction confirmation
  • Door weight and width confirmed → weight class calculated and system seleced
  • System type confirmed: System M+ (self-closing), System Fx (hold positions), or System One (free swing)
  • Flush floor plate specified: Flush Square for aluminium sills, Flush Rounded for wooden or stone sills
  • Dropseal and rebate detail resolved. Single or double rebate confirmed with your door manufacturer
  • Cornfirm pivot point offset to give room to dropseals or brushes.
  • Electrification required → TP-70, TP-40 or TP-R Class G top pivot with cable grommet specified
  • RC class requirement confirmed → multipoint lock partner selected
  • Gap dimensions calculated
  • Installation partner confirmed → Where to buy
  • 24-hour adhesive cure time planned into installation schedule

Discover more pivot door materials

Many applications and appearances are imaginable and possible for exterior pivot doors. Think for example of glass and steel, wood, or even stone. Whatever your preferred material may be, System One is suitable for any type of door with a weight of up to 500 kg.

Different types of materials have been used in pivot doors fitted with FritsJurgens pivot hinges all over the world. Get inspired and create your ideal exterior pivot door.

Pivot doors

Follow us